LED CMHD6018 H4 HeadLights
LED CMHD6018 H4 HeadLights
Description
LED CMHD6018 H4 HeadLights
1. Super bright H4 Headlight Bulbs:
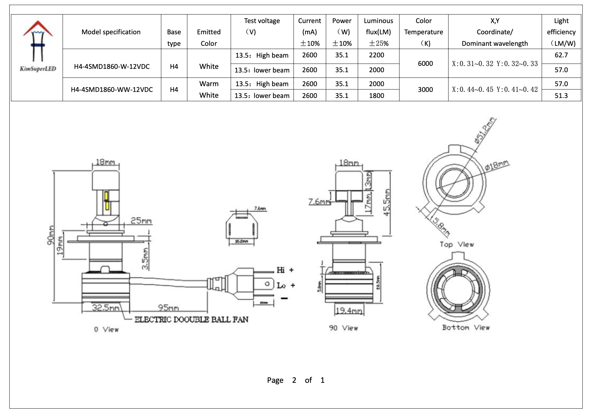
Using superior flip-chips, each set of Lamp has - high/low beam CMHD6018 headlight bulbs that deliver 2200 lumens, many times brighter than halogen lamps. Learn more about safer driving.
2. Carefully designed optical patterns:
The LED CMHD6018 headlight bulb's beam can be projected evenly on the road without black spots or shadow areas. An LED CMHD6018 headlamp includes both low-beam and high-beam functions.
3.Simple and fast DIY installation: non-polar, luminous element 1:1 mini design, the same as halogen bulbs. No need to worry about tight enclosure space or the need for additional adapters – it’s truly plug-and-play and plugs directly into your outlet.
4. Longer Life:
Made of aviation aluminum with excellent heat dissipation performance, double-sided high-purity copper circuit board, and heat pipe radiator design to quickly increase heat dissipation rate. Turbo cooling fan ensures a service life of up to 30,000 hours. , and can ensure stable luminous flux and reduce the need for frequent replacement of bulbs.
5. 98% Vehicles Adaptability:
External drivers ensures H4/9003 LED Car bulbs compatible with 98% of vehicles’ system. Also work as H4/9003 LED bulbs.
6. Note:
Before purchasing, please check your user manual or the part number marked on the original bulb to confirm the bulb model to avoid being unable to use it because the bulb interface does not match your car model.
LED CMHD6018 H4 HeadLight Bulbs
*.Power supply: 12 or 24VDC cannot be shared
* Output power: chip high power 35W
* Driving method: Constant current IC is used to stabilize the luminous flux and lumen output.






